eBooks/Articles
Dual Magnet Wheel 
90 degree rule 
Unbalanced flux 
TOMI, et al 
Tesla's Autobiography 
Tesla's Experiments 
Broken Flux Generator 
Transformer Motor Theory 
 

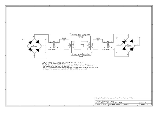
Electric Transformer Motor Theory

This is the simplest example of a Electric Transformer Motor that is designed to produce mechanical energy, utilize Kick EMF to produce it, and operate as a transformer to recover lost electrical power. Basically, every generator requires 1 mechanical horsepower for ever 740 Watts of energy produced. The reason why that is, is that when you draw power from a coil undergoing a change in the number of magnetic lines of flux, it produces an opposing magnetic field. The more power you draw, the more the coil you are drawing power from fights the permanent magnets. This is called Kick EMF.
 
If you have walked past a power substation and heard the sound of the transformers humming, then you have heard the internal magnetic forces playing upon the core of the transformers. That effect Kick EMF takes place inside a transformer, except it is all bound together in one fairly solid structure. So, you can only hear the hum of the metal and the same rules are still in effect.
 
In order for this circuit/motor to function both as a motor and a transformer, the motor is dependant on the secondary of the transformer being shorted to maintain a maximum output of mechanical energy watt per watt. In order to attain the maximum amount of mechanical energy, the core must also approach saturation cycle per cycle of AC power applied and peak with nearly the maximum number of magnetic lines it is capable of retaining.
 
The ideal battery is a rechargeable battery that can either act as a short in the circuit, or can stand in as a short circuit based upon the secondary winding of the stator. Based upon known physics that is not possible. Between two points of equal potential, there is no current flow. So, the ideal battery must exist in a different form. It must to handle an over voltage as well as, be able to charge to a low voltage at a high current from a higher voltage at a lower current. The old lead acid batteries were designed to handle the transients produced by spark plug coils without causing a exothermal chemical chain reaction and/or producing large quantities of gases and possibly exploding. It’s not uncommon to see a car battery charging with a voltage of 24 to 36 volts across it as a result of the alternator. This means that when you design the motor to operate using 12 volt lead acid batteries, you want the motor to operate as a transformer with a 1:2 to 1:3 turns ratio. For every turn of wire on the rotor/primary you will want 2 to 3 turns wire on the stator/secondary. Then the transformer doesn’t loose any real power in watts and can remain close to 98% efficient as a transformer, produce mechanical energy, and still work to keep the battery charged. Since, the motor only converts energy as a transformer at a 98% level, the loss is still 2%, and the potential of core losses increase that percent of loss. As a result your lead acid battery should last about 49 times longer.
 
This whole article is written in assumption that the reader has a college level degree and several years experience with electronics. This document was written with the intent to define a simple working model and a proof that the theory works on a level that would allow a high school student to construct a working version of the motor with this information.
 
In order for the motor to really operate at it’s maximum mechanical potential, the secondary must appear shorted to the primary. If there were a DC voltage of 12 volts following a bridge rectifier, as long as the battery won’t explode charging at 24 volts or 36 volts, there will still be room for current flow over the remaining 12 to 24 volts presented by 12 volt charge on the battery. Most of what will or will not work is based upon the chemistry of the batteries used in the circuit. Out of all of the chemicals used in electroplating, there is a list of potential acids that can be used with an array of metals to be tested in battery construction. At any point where autoplating takes place between two different metals, there is a battery made. Issues that concern the production of gases and dynamic chain reactions such as exothermic reactions have to be eliminated from the potential of being used in this circuit as a rechargeable battery. The only thing a chemist would want to find is that the result of charging the battery at a higher voltage than the battery is charged up to, is a reversal in the autoplating of one metal onto the other. Autoplating is everything that makes a lead acid battery work. It can even happen in ferric chloride. There is a very long list of chemicals that hold the potential of being put to work. The redox equation for recharging a battery is dependant on amperes before volts. Now the battery should only last approximately 24.5 times longer with a 1:2 turns ratio verses the ideal 1:1 of the rotor in respect to the stator. But, if for some odd reason an over voltage allows for a large amount of current flow based upon the chemistry of the battery it could go right back up toward 49 times longer. Maybe, there is a way to bring chemical equilibrium into that equation, and produce an electrochemical reaction that is over unity. A chemist, would best understand what to do with this paragraph.
 
Electronically, it’s just a rotating transformer, and the same rules apply to loading frequencies for a transformer. Placing a resistive load on the secondary will decrease the amount of mechanical energy produced by the motor, and it should keep spinning under a array of loads. If it takes less than gram of energy to make it spin, it will spin as long as the magnetic fields can defeat 1 gram of resistance to motion. The diodes can allow you to use a LED to see that there is power on the secondary, or a small light bulb directly across the secondary/stator coils without the support circuitry shown in the schematic. If you take the light bulb out of the circuit the motor will stop when the secondary winding are open, and run when they are loaded.
 
Longer rectangular windings will bring up the efficiency of the motor as a transformer and it’s efficiency will approach 98%. But, this little demo should only approach 50% efficiency as a transformer, and it’s really just a demo do nothing, that’s easy to build.
 
 
 
 
 
Looking at the graphic the two blue coils are stationary secondary winding placed on the stator. The two red coils are each connected to the armature and the axis of rotation as ground. Drawing coils and making mechanical connections with my 3D is a bit too tedious. The brushes are set at 65° the armature is set at 0°and the rotor is set at (-3°). If you are using a DC source of power, you will need to get the rotor spinning at a sufficient RPM before it will actually be propelled by Kick EMF, and it may not be possible. If you are using an AC source of power, the Kick EMF will not go away and the closer the secondary is to a short circuit the greater the amount of mechanical force that will be displaced. This works in concert with core saturation. Metglas saturates around 1.2 to 1.5 Teslas. Other metals don’t even come close, and for the optimum amount of mechanical energy out, the maximum number of magnetic lines must be present. Just below saturation the transformer side can perform this task with very little loss. Properly designing an electric motor, produces differing winding forms of which most are rectangular. Inductances will vary based upon the geometry of the winding forms used as the rotor and stator.
 
This document is theory only intended to define how it works and what is possible with it. The brush contact is too long to be efficient with this demo design. The rotor is constructed for the sake of teaching people how it works, not showing them the most efficiently designed rotor and stator. This document is intended to allow the largest number of potential readers to understand the operating theory and principles of the device, and give them enough information to build a working model that may not even be 50% efficient for the sake of visualization. It bares many similarities to a Squirrel Cage Electric Motor, with the exception that instead of relying on eddy currents in the rotor, the rotor produces what would have been eddy current in the stator. Instead of leaving the eddy currents to exist around the core materials, they are tapped for power by using windings. A good demo of a squirrel cage motor that would run does not appear anything like these three rods that could be used to explain the operating theory behind a Transformer Motor. As a rule, the best teaching demo, is not always the best motor.
 
There is no extra energy, it’s a rotating transformer. The Patent Office will not help you if you label it a Perpetual Motion Machine, or attach a generator to it and label it an Over Unity Device, or a Zero Point Energy Device. But, if you go in there and apply for a patent for an electric motor, then that’s all they’ll see. They don’t need to know where the diodes go, or about the other supporting circuitry that should be attached to it and/or controlling it. For example, if I short out the secondary, I get the most horsepower, and when I use a Virtual Short, I still have it. But, all of the energy doesn’t go back to the battery, it gets lost in the core, and I turned that into get up and go via a Virtual Short/Series Resonant Circuit. Yes, cruising will be very efficient. So, how driven can effect battery life, most batteries are only good for few years, and for so many charges. Again, it won’t make through the patent office any other way except, as a motor. You want to slip it past them as if you are only competing and not innovating. Then you can program it so that you must plug it in for the shear sake of insuring that no one steals it and drives from Canada to Mexico or Brazil non-stop. Most people have to sleep once every 16 hours, so program it for safety’s sake, and plug it in to reset the timer. The patent is on the design and construction, measurements etc. So, let the motor be the motor, or a transformer a transformer, unless it spins, even though you know there doesn’t have to be a difference. In some ways it is better that they don’t know.